China K11 Three-Jaw Self-Centering Chuck A1 Type - Hoton Supplier
Welcome to our websites!

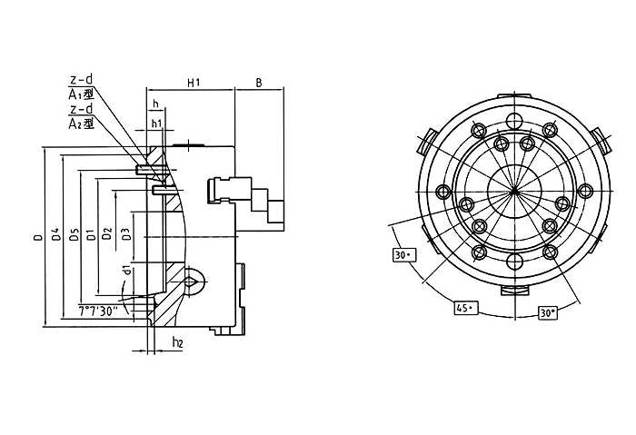
K11 SERIES THREE-JAW SELF-CENTERING CHUCK A1 TYPE

Short Description:

K11 SERIES THREE-JAW SELF-CENTERING CHUCK A1 TYPE K11 series Direct Mounting Three-jaw Self-centering chuck adopt short-conical hole centering, which is accurate in centering, easy to remove, convenient and reliable. A further three types are divided according to the way of joining with the rod of machine tool: Type A (joined with screw), Type C (bolt locking joint), Type D (pull rod, cam locking joint SPECIFICATIONS:. Model D D1 D2 D3 D4 D5 H1 h h1 h2 d1 Z-d ...


Product Detail

Product Tags

K11 SERIES THREE-JAW SELF-CENTERING CHUCK A1 TYPE

图片1

K11 series Direct Mounting Three-jaw Self-centering chuck adopt short-conical hole centering, which is accurate in centering, easy to remove,

convenient and reliable. A further three types are divided according to the way of joining with the rod of machine tool: Type A (joined with screw), Type C (bolt locking joint), Type D (pull rod, cam locking joint

SPECIFICATIONS:.

Model

D

D1

D2

D3

D4

D5

H1

h

h1

h2

d1

Z-d

K11250/A16

106.375

82.6

55

165

133.4

93

15.875

13

6.5

19.5

6-M12

K11250A/A16

K11315/A16

315

106.375

82.6

55

165

133.4

106

15.875

13

6.5

19.5

6-M12

K11315A/A16

K11315/A18

139.719

111.1

78

210

171.4

106

17.462

14

8

24.2

6-M16

K11315A/A18

K11400/A18

400

139.719

111.1

78

210

171.4

118

17.462

14

8

24.2

6-M16

K11400A/A18

K11500/A111

500

196.869

165.1

125

280

235

135

19.05

16

10

29.4

6-M20

K11500A/A111

 

 

 


  • Previous:
  • Next:

  • Send your message to us:

    Send your message to us:

    WhatsApp Online Chat !