China K78 Heavy Duty Independent Chuck - Hoton Manufacturer & Supplier
Welcome to our websites!

K78 SERIES HEAVY DUTY INDEPENDENT CHUCK

Short Description:

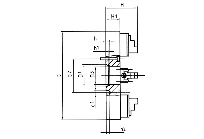
K78 SERIES HEAVY DUTY INDEPENDENT CHUCK   Heavy-duty steel body,for higher rigidity greater rigidity with reinforced nerves,two-piece jaw. It is widely used in large and heavy duty horizontal lathe or vertical lathe SPECIFICATIONS: Model Size Short-taper No. D1 D2 D3 H H1 h h1 h2 d1 z-d kgs Net WT 1000 11 196.869 235.0 180 355 150 20 16 10.0 29.4 8-M20 580 1250 11 196.869 235.0 180 355 150 20 16 10.0 29.4 8-M20 ...


Product Detail

Product Tags

K78 SERIES HEAVY DUTY INDEPENDENT CHUCK

 09239983-4730-42b3-975b-a4940623bf3f

Heavy-duty steel body,for higher rigidity greater rigidity with reinforced nerves,two-piece jaw.

It is widely used in large and heavy duty horizontal lathe or vertical lathe

SPECIFICATIONS:

Model
Size

Short-taper No.

D1

D2

D3

H

H1

h

h1

h2

d1

z-d

kgs
Net WT

1000

11

196.869

235.0

180

355

150

20

16

10.0

29.4

8-M20

580

1250

11

196.869

235.0

180

355

150

20

16

10.0

29.4

8-M20

830

1000

15

285.775

330.2

280

355

150

21

17

10.0

35.7

8-M20

578

1250

15

285.775

330.2

280

355

150

21

17

20.0

35.7

8-M20

826

1400

15

285.775

330.2

280

355

150

21

17

20.0

35.7

8-M20

1470

1600

15

285.775

330.2

280

370/380

150/180

21

17

20.0

35.7

8-M20

1920

2000

15

285.775

330.2

280

380

175

21

17

20.0

35.7

8-M20

2810

1000

20

412.775

463.6

305

355

150

23

19

10.0

42.1

8-M24

575

1250

20

412.775

463.6

305

355

150

23

19

10.0

42.1

8-M24

820

1400

20

412.775

463.6

305

355

150

23

19

10.0

42.1

8-M24

1460

1600

20

412.775

463.6

305

370/380

150/180

23

19

10.0

42.1

8-M24

1900

2000

20

412.775

463.6

305

380

175

23

19

10.0

42.1

8-M24

2760

2500

20

412.775

463.6

305

405

200

23

19

10.0

42.1

8-M24

4930


  • Previous:
  • Next:

  • Send your message to us:

    Send your message to us:

    WhatsApp Online Chat !