China K72 Series Four-Jaw Independent Chuck Type D - Hoton Manufacturer
Welcome to our websites!

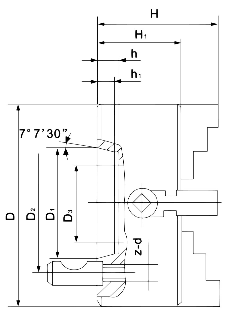
K72 SERIES FOUR-JAW INDEPENDENT CHUCK TYPE D

Short Description:

K72 SERIES FOUR-JAW INDEPENDENT TYPE D   K72 series Four-jaw independent chuck adopts short cylinder and short circular cone shape,Short circular cone shape can be subdivided into two types according to the way of joining with the rod of machine tool:Type A(joined with screw),Type C(bolt locking joint),Type D(pull rod,cam locking joint). SPECIFICATIONS: Model Size D short-taper No D1 D2 D3 H H1 h h1 Z-d K72200 4 63.513 82.6 56 107 75 13 10 3-M...


Product Detail

Product Tags

K72 SERIES FOUR-JAW INDEPENDENT TYPE D

图片1

 

K72 series Four-jaw independent chuck adopts short cylinder and short circular cone shape,Short circular cone shape can be subdivided into two types according

to the way of joining with the rod of machine tool:Type A(joined with screw),Type C(bolt locking joint),Type D(pull rod,cam locking joint).

SPECIFICATIONS:

Model
Size D

short-taper No

D1

D2

D3

H

H1

h

h1

Z-d

K72200

4

63.513

82.6

56

107

75

13

10

3-M10¡Á1

K72250

4

63.513

82.6

61

120

80

-

10

3-M10¡Á1

K72315

4

63.513

82.6

61

138

90

-

10

3-M10¡Á1

K72320

K72350

K72250

6

106.375

133.4

75

120

80

16

13

6-M16

K72315

6

106.375

133.4

95

138

90

16

13

6-M16

K72320

K72350

K72400

6

106.375

133.4

95

143

95

16

13

6-M16

K72500

6

106.375

133.4

103

160

105

-

13

6-M16

K72315

8

139.719

171.4

95

138

90

18

14

6-M20

K72320

K72350

K72400

8

139.719

171.4

125

143

95

18

14

6-M20

K72500

8

139.719

171.4

136

160

105

-

14

6-M20

K72400

11

196.869

235

125

143

95

20

16

6-M22

K72500

11

196.869

235

160

160

105

20

16

6-M22

K72630

11

196.869

235

180

180

115

20

16

6-M22

K72500

15

285.775

330.2

160

160

105

21

17

6-M24

K72630

15

285.775

330.2

180

180

115

21

17

6-M24


  • Previous:
  • Next:

  • Send your message to us:

    Send your message to us:

    WhatsApp Online Chat !